Дверные доводчики фирмы GEZE
06.10.2014
|
|
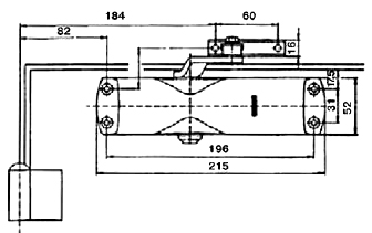
Монтаж доводчика производится по бумажному шаблону, который находится в одной упаковке с доводчиком. Шаблон базируется на двери относительно оси петель и затем производится разметка посадочных отверстий под корпус доводчика и тягу. Основные монтажные размеры приведены на данном чертеже.
|
Заказной | Наименование | Цвет |
GEZE ДОВОДЧИК TS 1000 | Белый | |
GEZE ДОВОДЧИК TS 1000 | Коричневый |
|
|
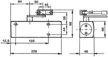
Монтаж доводчика производится по бумажному шаблону, который находится в одной упаковке с доводчиком. Шаблон базируется на двери относительно оси петель и затем производится разметка посадочных отверстий под корпус доводчика и тягу.
При использовании доводчика TS1500 со скользящей тягой, максимальная ширина створки уменьшается до 850 мм.
Заказной | Наименование | Цвет |
GEZE TS-1500 ДОВОДЧИК БЕЗ ТЯГИ | Белый | |
GEZE TS-1500 ТЯГА РЫЧАЖНАЯ | Белый | |
GEZE TS-1500 ДОВОДЧИК БЕЗ ТЯГИ | Коричневый | |
GEZE TS-1500 ТЯГА РЫЧАЖНАЯ | Коричневый |
|
|
|
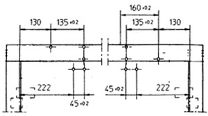
Монтаж доводчика производится по бумажному шаблону, который находится в одной упаковке с доводчиком. Шаблон базируется на двери относительно оси петель и затем производится разметка посадочных отверстий под корпус доводчика и тягу. Корпус доводчика располагается на створке в зависимости от ее ширины.
| Отдельной позицией поставляется монтажная плата для доводчика. Она необходима в следующих случаях: |
При наружном открывании дверей доводчик должен устанавливаться внутри помещения. Ниже приведена монтажная схема установки доводчиков TS 2000 на двери наружного открывания.
|
Заказной | Наименование | Цвет |
GEZE TS-2000V BC ДОВОДЧИК БЕЗ ТЯГИ МОРОЗОУСТОЙЧИВЫЙ | Белый | |
GEZE TS-2000V BC ТЯГА РЫЧАЖНАЯ | Белый | |
GEZE TS-2000V BC ДОВОДЧИК БЕЗ ТЯГИ, МОРОЗОУСТОЙЧИВЫЙ | Коричневый | |
GEZE TS-2000V BC ТЯГА РЫЧАЖНАЯ | Коричневый | |
GEZE МОНТАЖНАЯ ПЛАТА К TS-2000 |
|
НАШИ НОВОСТИ
C 8 МАРТА!!!
06.03.2026
О КомплектСервис
КОНТАКТЫ
- КОНТАКТНЫЙ ТЕЛЕФОН:
+7(495) 109-91-11,
+7 (968) 513-08-60 (отдел продаж) - E-MAIL:
- E-MAIL (для заявок):














